×
 

Bar Stock Manifold SY and SYA Series - SY-EMB

SY-EMB BAR STOCK MANIFOLD SY AND SYA SERIES

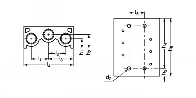
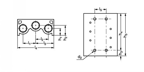
Dessins techniques

Information

Embase SY et SYA - modèle SY-EMB

Utilisation

- Permet de regrouper les distributeurs en un seul bloc
- Gain de place, alimentation d'air centralisé

Caractéristiques

- Embase associable, câblage individuel
- Type d'embase: 20 (Montage en ligne)
- Nombre de Stations: De 2 à 20 Stations
- Orifices A, B: 00F (G)
- Marque CE: Q (Marque CE)
- Compatible avec les distributeurs SY, sauf les distributeurs SY3... avec connecteur DIN ne sont pas compatible avec les embases.
- Autres types de connecteur disponible sur demande

Quantity
 
CAD
+
 
NC
NC
SS5Y3-20-02-00F-Q
G 1/8
2
SY3000
4,5
16,5
16,5
23,5
49
16
12,5
12,5
4,75
30,5
40
 
NC
NC
SS5Y3-20-03-00F-Q
G 1/8
3
SY3000
4,5
16,5
16,5
23,5
49
16
12,5
12,5
4,75
41
50,5
 
NC
NC
SS5Y3-20-04-00F-Q
G 1/8
4
SY3000
4,5
16,5
16,5
23,5
49
16
12,5
12,5
4,75
51,5
61
 
NC
NC
SS5Y3-20-05-00F-Q
G 1/8
5
SY3000
4,5
16,5
16,5
23,5
49
16
12,5
12,5
4,75
62
71,5
 
NC
NC
SS5Y3-20-06-00F-Q
G 1/8
6
SY3000
4,5
16,5
16,5
23,5
49
16
12,5
12,5
4,75
72,5
82
 
NC
NC
SS5Y3-20-07-00F-Q
G 1/8
7
SY3000
4,5
16,5
16,5
23,5
49
16
12,5
12,5
4,75
83
92,5
 
NC
NC
SS5Y3-20-08-00F-Q
G 1/8
8
SY3000
4,5
16,5
16,5
23,5
49
16
12,5
12,5
4,75
93,5
103
 
NC
NC
SS5Y3-20-09-00F-Q
G 1/8
9
SY3000
4,5
16,5
16,5
23,5
49
16
12,5
12,5
4,75
104
113,5
 
NC
NC
SS5Y3-20-10-00F-Q
G 1/8
10
SY3000
4,5
16,5
16,5
23,5
49
16
12,5
12,5
4,75
114,5
124
 
NC
NC
SS5Y3-20-11-00F-Q
G 1/8
11
SY3000
4,5
16,5
16,5
23,5
49
16
12,5
12,5
4,75
125
134,5
 
NC
NC
SS5Y3-20-12-00F-Q
G 1/8
12
SY3000
4,5
16,5
16,5
23,5
49
16
12,5
12,5
4,75
135,5
145
 
D
NC
SS5Y5-20-02-00F-Q
G 1/4
2
SY5000
4,5
21
21
30
60
20
11,5
16,5
10
40
60
 
NC
NC
SS5Y5-20-03-00F-Q
G 1/4
3
SY5000
4,5
21
21
30
60
20
11,5
16,5
10
56
76
 
D
NC
SS5Y5-20-04-00F-Q
G 1/4
4
SY5000
4,5
21
21
30
60
20
11,5
16,5
10
72
92
 
D
NC
SS5Y5-20-05-00F-Q
G 1/4
5
SY5000
4,5
21
21
30
60
20
11,5
16,5
10
88
108
 
NC
NC
SS5Y5-20-06-00F-Q
G 1/4
6
SY5000
4,5
21
21
30
60
20
11,5
16,5
10
104
124
 
NC
NC
SS5Y5-20-07-00F-Q
G 1/4
7
SY5000
4,5
21
21
30
60
20
11,5
16,5
10
120
140
 
NC
NC
SS5Y5-20-08-00F-Q
G 1/4
8
SY5000
4,5
21
21
30
60
20
11,5
16,5
10
136
156
 
NC
NC
SS5Y5-20-09-00F-Q
G 1/4
9
SY5000
4,5
21
21
30
60
20
11,5
16,5
10
152
172
 
NC
NC
SS5Y5-20-10-00F-Q
G 1/4
10
SY5000
4,5
21
21
30
60
20
11,5
16,5
10
168
188
 
NC
NC
SS5Y5-20-11-00F-Q
G 1/4
11
SY5000
4,5
21
21
30
60
20
11,5
16,5
10
184
204
 
NC
NC
SS5Y5-20-12-00F-Q
G 1/4
12
SY5000
4,5
21
21
30
60
20
11,5
16,5
10
200
220
 
NC
NC
SS5Y5-20-13-00F-Q
G 1/4
13
SY5000
4,5
21
21
30
60
20
11,5
16,5
10
216
236
 
NC
NC
SS5Y5-20-14-00F-Q
G 1/4
14
SY5000
4,5
21
21
30
60
20
11,5
16,5
10
232
252
 
NC
NC
SS5Y5-20-15-00F-Q
G 1/4
15
SY5000
4,5
21
21
30
60
20
11,5
16,5
10
248
268
 
NC
NC
SS5Y5-20-16-00F-Q
G 1/4
16
SY5000
4,5
21
21
30
60
20
11,5
16,5
10
264
284
 
NC
NC
SS5Y5-20-20-00F-Q
G 1/4
20
SY5000
4,5
21
21
30
60
20
11,5
16,5
10
328
348
 
D
NC
SS5Y7-20-02-00F-Q
G 1/4
2
SY7000
4,5
21
21
30
60
20
11,5
16,5
4,5
46
55
 
NC
NC
SS5Y7-20-03-00F-Q
G 1/4
3
SY7000
4,5
21
21
30
60
20
11,5
16,5
4,5
65
74
 
NC
NC
SS5Y7-20-04-00F-Q
G 1/4
4
SY7000
4,5
21
21
30
60
20
11,5
16,5
4,5
84
93
 
NC
NC
SS5Y7-20-05-00F-Q
G 1/4
5
SY7000
4,5
21
21
30
60
20
11,5
16,5
4,5
103
112
 
NC
NC
SS5Y7-20-06-00F-Q
G 1/4
6
SY7000
4,5
21
21
30
60
20
11,5
16,5
4,5
122
131
 
NC
NC
SS5Y7-20-07-00F-Q
G 1/4
7
SY7000
4,5
21
21
30
60
20
11,5
16,5
4,5
141
150
 
NC
NC
SS5Y7-20-08-00F-Q
G 1/4
8
SY7000
4,5
21
21
30
60
20
11,5
16,5
4,5
160
169
 
NC
NC
SS5Y7-20-09-00F-Q
G 1/4
9
SY7000
4,5
21
21
30
60
20
11,5
16,5
4,5
179
188
 
NC
NC
SS5Y7-20-10-00F-Q
G 1/4
10
SY7000
4,5
21
21
30
60
20
11,5
16,5
4,5
198
207
 
NC
NC
SS5Y7-20-11-00F-Q
G 1/4
11
SY7000
4,5
21
21
30
60
20
11,5
16,5
4,5
217
226
 
NC
NC
SS5Y7-20-12-00F-Q
G 1/4
12
SY7000
4,5
21
21
30
60
20
11,5
16,5
4,5
236
245
 
NC
NC
SS5Y9-23-02-00F-Q
G 3/8
2
SY9000
6,3
25,5
25,5
48,3
96,6
25
13,8
13,8
15
66
96
 
NC
NC
SS5Y9-23-03-00F-Q
G 3/8
3
SY9000
6,3
25,5
25,5
48,3
96,6
25
13,8
13,8
15
90
120
 
NC
NC
SS5Y9-23-04-00F-Q
G 3/8
4
SY9000
6,3
25,5
25,5
48,3
96,6
25
13,8
13,8
15
114
144
 
NC
NC
SS5Y9-23-05-00F-Q
G 3/8
5
SY9000
6,3
25,5
25,5
48,3
96,6
25
13,8
13,8
15
138
168
 
NC
NC
SS5Y9-23-06-00F-Q
G 3/8
6
SY9000
6,3
25,5
25,5
48,3
96,6
25
13,8
13,8
15
162
192
 
NC
NC
SS5Y9-23-07-00F-Q
G 3/8
7
SY9000
6,3
25,5
25,5
48,3
96,6
25
13,8
13,8
15
186
216
 
NC
NC
SS5Y9-23-08-00F-Q
G 3/8
8
SY9000
6,3
25,5
25,5
48,3
96,6
25
13,8
13,8
15
210
240

Retour en haut