×
 

5/2-way double solenoid valve - SY-5/2-E/E

SY-5/2-E/E 5/2-WAY DOUBLE SOLENOID VALVE À COMMANDE ÉLECTRIQUE BISTABLE

Photos

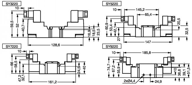
Dessins techniques

Information

Electrodistributeur 5/2 série SY à commande électrique bistable - modèle SY-5/2-E/E

Caractéristiques

- Fluide : Air.
- Plage de pression d'utilisation : -100 kPa à 0,7.
- Température d'utilisation [°C] : -10 à 50 (hors gel).
- Tension nominale de la bobine : 24 VCC - 24 VCA - 110 VCA - 220 VCA
- Protection : IP67 (conforme IEC60529).
- Montage : Unitaire ou sur embase
- Connexion électrique: D (Connecteur DIN avec connecteur)
- Commande manuelle: Poussoir à impulsion
- Pilote: Pilotage interne ou externe

Quantity
 
CAD
+
 
NC
NC
SY3220-4DZ-M5-Q
193
M5
220VAC
FORME C + LED
0,1 - 0,7
-
 
NC
NC
SY3220-5DZ-M5-Q
193
M5
24VDC
FORME C + LED
0,1 - 0,7
-
 
NC
NC
SY5220-3DZ-01F-Q
533
1/8
110VAC
FORME C + LED
0,1 - 0,7
-
 
NC
NC
SY5220-4DZ-01F-Q
533
1/8
220VAC
FORME C + LED
0,1 - 0,7
-
 
D
NC
SY5220-5DZ-01F-Q
533
1/8
24VDC
FORME C + LED
0,1 - 0,7
-
 
NC
NC
SY5220-BDZ-01F-Q
533
1/8
24VAC
FORME C + LED
0,1 - 0,7
-
 
NC
NC
SY7220-3DZ-02F-Q
852
1/4
110VAC
FORME C + LED
0,1 - 0,7
-
 
NC
NC
SY7220-4DZ-02F-Q
852
1/4
220VAC
FORME C + LED
0,1 - 0,7
-
 
D
NC
SY7220-5D-02F-Q
852
1/4
24VDC
FORME C
0,1 - 0,7
-
 
D
NC
SY7220-5DZ-02F-Q
852
1/4
24VDC
FORME C + LED
0,1 - 0,7
-
 
NC
NC
SY7220-5DZ-02F-X20-Q
852
1/4
24VDC
FORME C + LED
-100 kPa - 0,7
0,25 - 0,7
 
NC
NC
SY9220-4DZ-03F-Q
2048
3/8
220VAC
FORME C + LED
0,1 - 0,7
-
 
NC
NC
SY9220-5DZ-03F-Q
2048
3/8
24VDC
FORME C + LED
0,1 - 0,7
-
 
NC
NC
SY9220-3DZ-03F-Q
2048
3/8
110VAC
FORME C + LED
0,1 - 0,7
-

Retour en haut