×
 

TANDEM LINEAR BEARINGS KBT-ST-FM WITH CENTRAL, ROUND FLANGE, LONG DESIGN EXÉCUTION LONGUE (Model : B81-DBKBT-STFM)

B81-DBKBT-STFM TANDEM LINEAR BEARINGS KBT-ST-FM WITH CENTRAL, ROUND FLANGE, LONG DESIGN EXÉCUTION LONGUE

Photos

Nouveau

Dessins techniques

Information

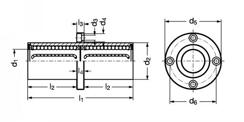
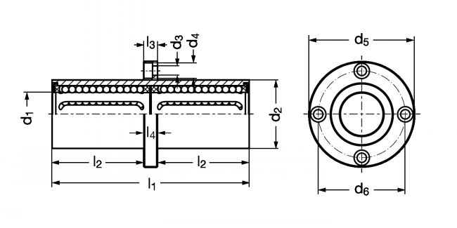
Douille à billes tandem DBKB STFM à bride ronde centrale exécution longue - modèle B81-DBKB-STFM

Matières
- Bague en acier.
- Cage à billes en plastique.

Caractéristiques
- Les douilles à billes à bride ( collerette ) sont concues pour être fixées directement sur des composants.
- Permet un montage et un remplacement rapide.
- Les douilles sont graissées en usine.
- Douille équipée de joints.

Montage
- Tolérance d'arbre recommandée h6.
- Tolérance du logement H7.

Files

Quantity
 
CAD
+
 
 
NC
NC
B81-DBKBT-STFM-08-PP
8
16
32
24
46
20,5
5
3,5
6
3,1
421
804
60
 
NC
NC
B81-DBKBT-STFM-12-PP
12
22
42
32
61
27,5
6
4,5
7,5
4,1
813
1570
110
 
NC
NC
B81-DBKBT-STFM-16-PP
16
26
46
36
68
31
6
4,5
7,5
4,1
921
1780
160
 
NC
NC
B81-DBKBT-STFM-20-PP
20
32
54
43
80
36
8
5,5
9
5,1
1370
2740
260
 
NC
NC
B81-DBKBT-STFM-25-PP
25
40
62
51
112
52
8
5,5
9
5,1
1570
3140
540
 
NC
NC
B81-DBKBT-STFM-30-PP
30
47
76
62
123
56,5
10
6,6
11
6,1
2500
5490
820
 
NC
NC
B81-DBKBT-STFM-40-PP
40
62
98
80
151
69
13
9
14
8,1
3430
8040
1810
 
NC
NC
B81-DBKBT-STFM-50-PP
50
75
112
94
192
89,5
13
9
14
8,1
6080
15900
2820
 
NC
NC
B81-DBKBT-STFM-60-PP
60
90
134
112
209
95,5
18
11
17
11,1
7550
20000
4920

Retour en haut