×
 

Spare Parts - Disk springs for Sliding Hubs FA, FA-K and RNR

A5-66-RR SPARE PARTS DISK SPRINGS FOR SLIDING HUBS FA, FA-K AND RNR

Photos

Dessins techniques

Information

Couche de friction de rechange pour limiteur FA, FA-K et RNR - modèle A5-66-RR

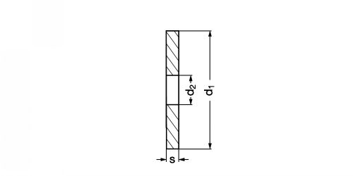
Caractéristiques
- 2 pièces sont requises pour un limiteur.

Files

Quantity
 
CAD
+
 
 
NC
NC
A5-66-RR-A
30
16
2,5
2
 
NC
NC
A5-66-RR-B
45
35
2,5
3
 
NC
NC
A5-66-RR-C
58
40
3
10
 
NC
NC
A5-66-RR-D
68
44
3
13
 
D
NC
A5-66-RR-E
88
58
3
21

Retour en haut