×
 

MINIATURE BEVEL GEARBOXES MKU MODEL L, I= 4:1 (Model : A3-22-41)

A3-22-41 MINIATURE BEVEL GEARBOXES MKU MODEL L, I= 4:1

Photos

Nouveau

Dessins techniques

Information

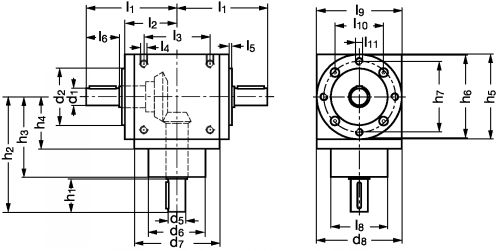
Réducteurs à engrenage conique miniature 4:1 - modèle A3-22-41

- Réducteur à engrenage conique miniature pour charges particulièrement élevées et grande durée d'utilisation.
- Arbre traversant à rotation lente.

Matières
- Corps et brides en aluminium.
- Egalement disponible en exécution anticorrosion pour l'industrie alimentaire et pharmaceutique.

Caractéristiques
- Construction très robuste.
- Denture roue spiro-conique, cémentées et rodées par paire.
- Jeu angulaire max. 0,5°.
- Température ambiante admissible -10°C à +90°C.
- Démultiplication 4:1.
- Entièrement étanche à la perte de lubrifiant et à l'infiltration de poussières.
- Possibilité de fixation sur toutes les faces (assemblage possible sur les 6 côtés).
- Les diamètres c, I1 et I2 servent au centrage.

Lubrification
- Les réducteurs sont entièrement étanches, lubrifiés à vie et sans maintenance.
- Les réducteurs n'ont pas de dispositif de purge.

Files

Quantity
 
CAD
+
 
NC
NC
A3-22-41-45-30
30
4:1
45
Consulter les documents pour + de détails
 
NC
NC
A3-22-41-45-60
60
4:1
45
 

2. Les valeurs indiquées dans les tableaux de puissance sont valables pour une température ambiante de 20°C.

Retour en haut