×
 

Bevel Gearboxes KU/I, Type H, 6:1

A3-33-61 BEVEL GEARBOXES KU/I, TYPE H, 6:1

Photos

Nouveau

Dessins techniques

Information

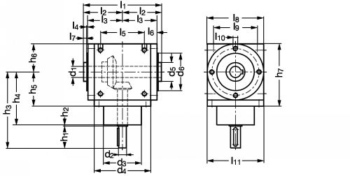
Réducteurs à engrenage conique massif à arbre creux 6:1 - modèle A3-33-61

MATIERE
- Fonte grise à paroi épaisse.
- Egalement disponible en exécution anticorrosion pour l'industrie alimentaire et pharmaceutique.

CARACTERISTIQUES
- Réducteur à engrenage conique - arbre creux traversant à rotation lente.
- Construction très robuste.
- Denture roue spiro-conique, cémentées et rodées par paire.
- Démultiplication 6:1.
- Entièrement étanche à la perte de lubrifiant et à l'infiltration de poussières.
- Possibilité de fixation sur toutes les faces (assemblage possible sur les 6 côtés).

LUBRIFICATION
- Les réducteurs sont entièrement étanches, lubrifiés à vie et sans maintenance.
- Les réducteurs n'ont pas de dispositif de purge.
- Sur demande, ces réducteurs peuvent être livrés dans une exécution permettant les vidanges d'huile.
- Prévoir un dispositif de purge du réducteur pour une utilisation à vitesse de rotation élevée (nous consulter).

Quantity
 
CAD
+
 
NC
NC
A3-33-61-01-70
70
6:1
1
Consulter les documents pour + de détails
 
NC
NC
A3-33-61-02-70
70
6:1
1
 
 
NC
NC
A3-33-61-01-80
80
6:1
2
 
 
NC
NC
A3-33-61-02-80
80
6:1
2
 

2. Avec un rapport de réduction. Avec un rapport de multiplication, les valeurs applicables sont celles de 1:1. Tenir compte en outre du réchauffement.

Retour en haut