×
 

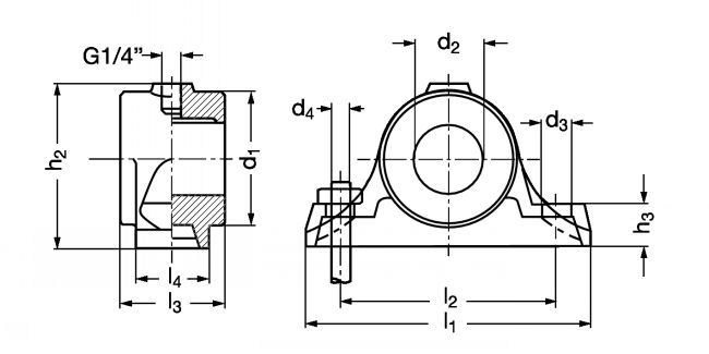
Heavy-Duty Pillow Block Bearings DIN 504 B, Without Bush - P1-01B

P1-01B HEAVY-DUTY PILLOW BLOCK BEARINGS DIN 504 B, WITHOUT BUSH HEAVY-DUTY PILLOW BLOCK BEARINGS DIN 504 B, WITHOUT BUSH

Photos

Nouveau

Dessins techniques

Information

Paliers à semelle DIN 504 B, sans coussinet - modèle P1-01B

Matières
- Fonte grise GG25 (GJL-250).

Caractéristiques
- Ajustement d'alésage : ISO D7.

Files

Quantity
 
CAD
+
 
NC
NC
P1-01B-20
20
110
50
35
18
45
12
M10
30
56
75
1,3
 
NC
NC
P1-01B-25
25
140
60
40
25
60
15
M12
40
75
100
2,0
 
NC
NC
P1-01B-30
30
140
60
40
25
60
15
M12
40
75
100
2,0
 
NC
NC
P1-01B-35
35
160
60
45
25
80
15
M12
50
95
120
3,0
 
NC
NC
P1-01B-40
40
160
60
45
25
80
15
M12
50
95
120
3,0
 
NC
NC
P1-01B-45
45
190
70
50
30
90
19
M16
60
110
140
4,2
 
NC
NC
P1-01B-50
50
190
70
50
30
90
19
M16
60
110
140
4,2
 
NC
NC
P1-01B-60
60
220
80
55
35
100
24
M20
70
125
160
5,5
 
NC
NC
P1-01B-70
70
240
90
60
35
120
24
M20
80
145
180
8,3
 
NC
NC
P1-01B-80
80
270
100
70
45
140
28
M24
90
165
210
11,6

Retour en haut