×
 

Heavy-Duty Pillow Block Bearings DIN 504 A, With Red Brass Bush - P1-01A

P1-01A HEAVY-DUTY PILLOW BLOCK BEARINGS DIN 504 A, WITH RED BRASS BUSH HEAVY-DUTY PILLOW BLOCK BEARINGS DIN 504 A, WITH RED BRASS BUSH

Photos

Nouveau

Dessins techniques

Information

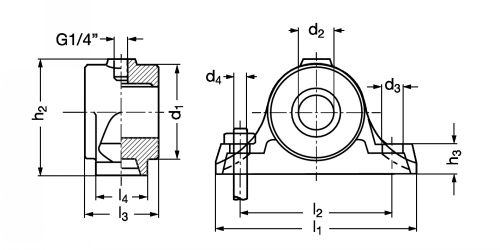
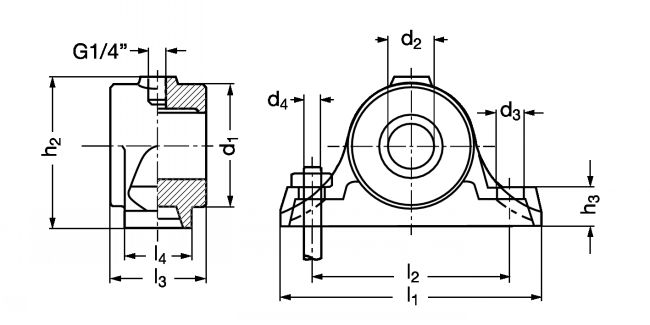
Paliers à semelle DIN 504 A, avec coussinet en laiton - modèle P1-01A

Matières
- Fonte grise GG25 (GJL-250).
- Coussinet Rg7 (CuSn7Zn4Pb7-C).

Caractéristiques
- Vitesse maximale : 1,5 m/s.
- Pression de surface max. (p) : 350 N/cm².
- Ces facteurs peuvent avoir une influence sur cette pression (Lubrification, Dureté et Rugosité de l'arbre, Sens de la charge appliquée, Température d'utilisation,...).
- Ajustement d'alésage : ISO D7.

Files

Quantity
 
CAD
+
 
NC
NC
P1-01A-30
30
160
60
45
25
80
15
M12
50
95
120
3,0
 
NC
NC
P1-01A-40
40
190
70
50
30
90
19
M16
60
110
140
4,2
 
NC
NC
P1-01A-50
50
220
80
55
35
100
24
M20
70
125
160
5,5
 
NC
NC
P1-01A-60
60
240
90
60
35
120
24
M20
80
145
180
8,3
 
NC
NC
P1-01A-70
70
270
100
70
45
140
28
M24
90
165
210
11,6
 
NC
NC
P1-01A-80
80
300
100
80
45
160
28
M24
100
185
240
17,0

Retour en haut