×
 

Helical small geared motor SF with DC motor, 24 V, up to 2 Nm

M1-SF HELICAL SMALL GEARED MOTOR SF WITH DC MOTOR, 24 V, UP TO 2 NM

Photos

Nouveau

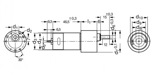
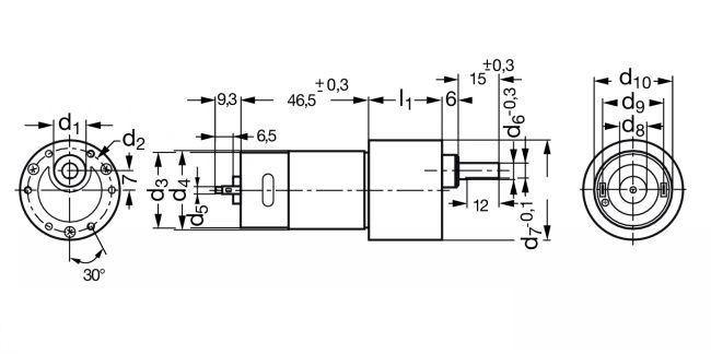
Dessins techniques

Information

Motoréducteur à engrenage cylindrique SF 24V 2 Nm - modèle M1-SF

MATIERE
- Acier galvanisé.

CARACTERISTIQUES
- Moteur à courant continu à balais 24V.
- Vitesse de rotation 6500 tr/min, immunité aux parasites de série.
- Modification du sens de rotation par permutation des pôles.
- Engrenage en acier.
- Paliers lisses en bronze fritté.
- Degré de protection : IP 20.
- Mode de fonctionnement : S2-10 min.
- Température ambiante admissible en service : -10°C à +60°C.
- Moteur idéal pour fonctionnement de courte durée, (dispositifs de réglage).
- Charge d'arbre radiale admissible : 9,8 N.
- Charge d'arbre axiale admissible : 6,7 N.

Files

Quantity
 
CAD
+
 
NC
NC
M1-SF-24-1
2
1,5
2
0,4
0,31
2,1
3000:1
32
220
 
NC
NC
M1-SF-24-5
6
5
1,6
0,4
0,84
1,9
1000:1
29,5
210
 
NC
NC
M1-SF-24-22
27
22
1,3
0,4
2,99
1,6
250:1
27
200
 
NC
NC
M1-SF-24-38
43
38
0,8
0,4
3,18
1,2
150:1
27
200
 
NC
NC
M1-SF-24-75
90
75
0,45
0,6
3,53
0,8
75:1
24,5
200
 
NC
NC
M1-SF-24-115
130
115
0,3
0,6
3,61
0,6
50:1
24,5
200
 
NC
NC
M1-SF-24-190
210
190
0,18
0,6
3,58
0,4
30:1
22
190
 
NC
NC
M1-SF-24-530
610
530
0,1
0,6
5,55
0,2
10:1
19,5
190

Retour en haut