×
 

Réducteurs à engrenage conique massif à arbre creux 4:1 - A3-33-41

A3-33-41 RÉDUCTEUR À ENGRENAGE CONIQUE MASSIF À ARBRE CREUX 4:1

Photos

Nouveau

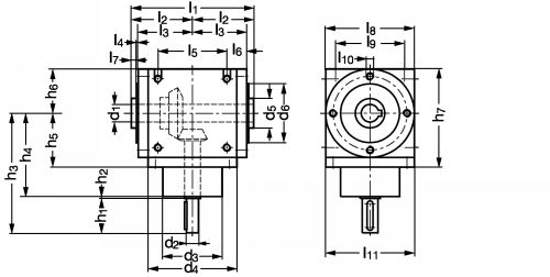
Dessins techniques

Informations

Réducteurs à engrenage conique massif à arbre creux 4:1 - modèle A3-33-41

MATIERE
- Fonte grise à paroi épaisse.
- Egalement disponible en exécution anticorrosion pour l'industrie alimentaire et pharmaceutique.

CARACTERISTIQUES
- Réducteur à engrenage conique - arbre creux traversant à rotation lente.
- Construction très robuste.
- Denture roue spiro-conique, cémentées et rodées par paire.
- Démultiplication 4:1.
- Entièrement étanche à la perte de lubrifiant et à l'infiltration de poussières.
- Possibilité de fixation sur toutes les faces (assemblage possible sur les 6 côtés).

LUBRIFICATION
- Les réducteurs sont entièrement étanches, lubrifiés à vie et sans maintenance.
- Les réducteurs n'ont pas de dispositif de purge.
- Sur demande, ces réducteurs peuvent être livrés dans une exécution permettant les vidanges d'huile.
- Prévoir un dispositif de purge du réducteur pour une utilisation à vitesse de rotation élevée (nous consulter).

Quantité
 
CAD
+
 
NC
NC
A3-33-41-01-70
70
4:1
1
Consulter les documents pour + de détails
 
NC
NC
A3-33-41-02-70
70
4:1
2
 
 
NC
NC
A3-33-41-25-70
70
4:1
25
 
 
NC
NC
A3-33-41-30-70
70
4:1
30
 
 
NC
NC
A3-33-41-01-80
80
4:1
1
 
 
NC
NC
A3-33-41-02-80
80
4:1
2
 
 
NC
NC
A3-33-41-25-80
80
4:1
25
 
 
NC
NC
A3-33-41-30-80
80
4:1
30
 

2. Avec un rapport de réduction. Avec un rapport de multiplication, les valeurs applicables sont celles de 1:1. Tenir compte en outre du réchauffement.

Retour en haut