×
 

Réducteurs à engrenage conique massif 2:1 - A3-32-21

A3-32-21 RÉDUCTEUR À ENGRENAGE CONIQUE MASSIF 2:1

Photos

Nouveau

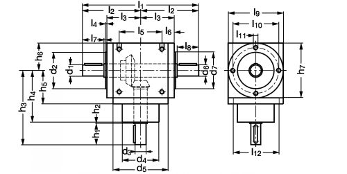
Dessins techniques

Informations

Réducteurs à engrenage conique massif 2:1 - modèle A3-32-21

MATIERE
- Fonte grise à paroi épaisse.
- Egalement disponible en exécution anticorrosion pour l'industrie alimentaire et pharmaceutique.

CARACTERISTIQUES
- Réducteur à engrenage conique - arbre traversant à rotation lente.
- Construction très robuste.
- Denture roue spiro-conique, cémentées et rodées par paire.
- Démultiplication 2:1.
- Entièrement étanche à la perte de lubrifiant et à l'infiltration de poussières.
- Possibilité de fixation sur toutes les faces (assemblage possible sur les 6 côtés).

LUBRIFICATION
- Les réducteurs sont entièrement étanches, lubrifiés à vie et sans maintenance.
- Les réducteurs n'ont pas de dispositif de purge.
- Sur demande, ces réducteurs peuvent être livrés dans une exécution permettant les vidanges d'huile.
- Prévoir un dispositif de purge du réducteur pour une utilisation à vitesse de rotation élevée (nous consulter).

Quantité
 
CAD
+
 
NC
NC
A3-32-21-00-30
30
2:1
0
Consulter les documents pour + de détails
 
NC
NC
A3-32-21-01-30
30
2:1
1
 
 
NC
NC
A3-32-21-02-30
30
2:1
2
 
 
NC
NC
A3-32-21-25-30
30
2:1
25
 
 
NC
NC
A3-32-21-30-30
30
2:1
30
 
 
NC
NC
A3-32-21-00-60
60
2:1
0
 
 
NC
NC
A3-32-21-01-60
60
2:1
1
 
 
NC
NC
A3-32-21-02-60
60
2:1
2
 
 
NC
NC
A3-32-21-25-60
60
2:1
25
 
 
NC
NC
A3-32-21-30-60
60
2:1
30
 

1. Réducteurs disponibles de stock (sans évent).
2. Avec un rapport de réduction. Avec un rapport de multiplication, les valeurs applicables sont celles de 1:1. Tenir compte en outre du réchauffement.

Retour en haut