×
 

Paliers applique DIN 502 A, avec coussinet en laiton rouge - P1-04A

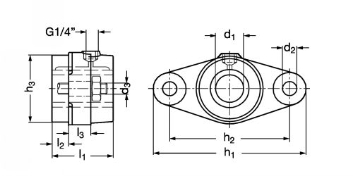
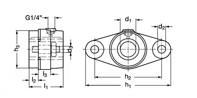
P1-04A PALIERS APPLIQUE DIN 502 A AVEC COUSSINET EN LAITON ROUGE

Photos

Nouveau

Dessins techniques

Informations

Paliers applique DIN 502 A, avec coussinet en laiton - modèle P1-04A

Matières
- Fonte grise GG25 (GJL-250).
- Coussinet Rg7 (CuSn7Zn4Pb7-C).

Caractéristiques
- Vitesse maximale : 1,5 m/s.
- Pression de surface max. (p) : 350 N/cm².
- Ces facteurs peuvent avoir une influence sur cette pression (Lubrification, Dureté et Rugosité de l'arbre, Sens de la charge appliquée, Température d'utilisation,...).
- Ajustement d'alésage : ISO D10.

Documents

Quantité
 
CAD
+
 
NC
NC
P1-04A-25
25
155
60
20
65
14
M12
20
120
1
 
NC
NC
P1-04A-30
30
155
60
20
65
14
M12
20
120
1
 
NC
NC
P1-04A-50
40
180
70
25
80
18
M16
20
140
3
 
NC
NC
P1-04A-40
50
210
80
30
90
22
M20
20
160
4

Retour en haut