×
 

Motoréducteur SE1 avec moteur à courant continu 12V et 24V - M1-SE1

M1-SE1 MOTORÉDUCTEUR SE1 AVEC MOTEUR À COURANT CONTINU 12V ET 24V

Photos

Nouveau

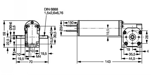
Dessins techniques

Informations

Motoréducteur SE1 avec moteur à courant continu 12V et 24V - modèle M1-PE2

- Moteur à courant continu à balais 12V ou 24V.
- Vitesse de rotation nominale 6000 tr/min.
- Modification du sens de rotation par permutation des pôles.
- Degré de protection selon VDE 0530 : IP 21.
- Classe d'isolement selon VDE 0530 : E.
- Mode de fonctionnement selon VDE 0530 : S1.
- Charge d'arbre radiale admissible FR: 30 N (centre de l'arbre).
- Charge d'arbre axiale admissible FA: 12 N.
- Tolérances +/- 10%.

MATIERE
- Carter acier galvanisé entièrement étanche aux fuites d'huile et à l'infiltration de poussières.
- Position de montage au gré.

DENTURE
- Roue à vis cylindrique en plastique.
- Vis cylindrique en acier rectifié.
- Vis cylindrique goupillée sur arbre moteur.
- Pas d'auto blocage.

PALIERS
- Moteur sur roulement à billes.
- Engrenages sur roulements à billes.

LUBRIFICATION
- Graissage sans maintenance.

La valeur de rendement vaut pour un moteur chaud, après la phase de démarrage.
Afin d'éviter une surcharge de l'engrenage, les charges limites indiquées ne peuvent pas être dépassées. En cas de fonctionnement à marche réversible, les valeurs de charge limite sont à multiplier par un facteur de 0,75.

Documents

Quantité
 
CAD
+
 
NC
NC
M1-SE1-12-822
12
822
7,3:1
0,15
0,83
16
13
79
0,52
 
NC
NC
M1-SE1-12-522
12
522
11,5:1
0,23
1,3
16
12
77
0,52
 
NC
NC
M1-SE1-12-400
12
400
15:1
0,28
1,7
16
12
73
0,52
 
NC
NC
M1-SE1-12-261
12
261
23:1
0,41
2
16
11
70
0,52
 
NC
NC
M1-SE1-12-200
12
200
30:1
0,55
2
16
11
66
0,52
 
NC
NC
M1-SE1-12-158
12
158
38:1
0,63
1,2
16
10
65
0,52
 
NC
NC
M1-SE1-24-822
24
822
7,3:1
0,15
0,83
16
13
79
0,52
 
NC
NC
M1-SE1-24-522
24
522
11,5:1
0,23
1,3
16
12
77
0,52
 
NC
NC
M1-SE1-24-400
24
400
15:1
0,28
1,7
16
12
73
0,52
 
NC
NC
M1-SE1-24-261
24
261
23:1
0,41
2
16
11
70
0,52
 
NC
NC
M1-SE1-24-200
24
200
30:1
0,55
2
16
11
66
0,52
 
NC
NC
M1-SE1-24-158
24
158
38:1
0,63
1,2
16
10
65
0,52

Retour en haut