×
 

Electrodistributeur 5/3 centre pression à commande pneumatique - SY-5/3CSP-P/P | SMC

SY-5/3CSP-P/P ELECTRODISTRIBUTEUR 5/3 CENTRE PRESSION À COMMANDE PNEUMATIQUE

Photos

Nouveau

Dessins techniques

Informations

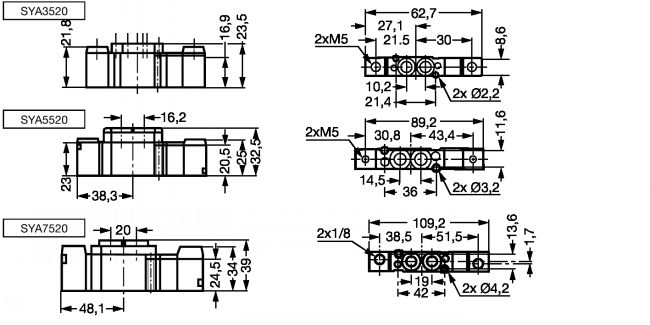
Electrodistributeur 5/3 centre pression série SY à commande pneumatique - modèle SY-5/3CSP-P/P

Caractéristiques
- Distributeur 5/3 Centre pression à commande pneumatique Série SYA3000/5000/7000.
- Montage en ligne.
- Commande manuelle (Poussoir à impulsion).

Documents

Quantité
 
CAD
+
 
NC
NC
SYA3520-M5
131
M5
M5
M5
-100 kPa - 0,7
 
NC
NC
SYA5520-01F
483
G 1/8
G 1/8
M5
-100 kPa - 0,7
 
NC
NC
SYA7520-02F
594
G 1/4
G 1/8
G 1/8
-100 kPa - 0,7

Retour en haut