×
 

Electrodistributeur 5/3 centre pression à commande électrique - SY-5/3CSP-E/E | SMC

SY-5/3CSP-E/E ELECTRODISTRIBUTEUR 5/3 CENTRE PRESSION À COMMANDE ÉLECTRIQUE

Photos

Nouveau

Dessins techniques

Informations

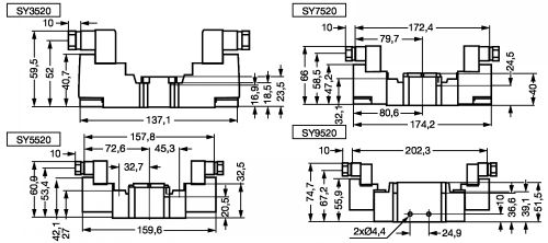
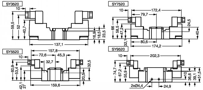
Electrodistributeur 5/3 centre pression série SY à commande électrique - modèle SY-5/3CSP-E/E

Caractéristiques
- Fluide : Air.
- Plage de pression d'utilisation : -100 kPa à 0,7.
- Température d'utilisation [°C] : -10 à 50 (hors gel).
- Tension nominale de la bobine : 24 VCC - 24 VCA - 110 VCA - 220 VCA
- Protection : IP67 (conforme IEC60529).
- Montage : Unitaire ou sur embase
- Connexion électrique: D (Connecteur DIN avec connecteur)
- Commande manuelle: Poussoir à impulsion
- Pilote: Pilotage interne ou externe

Quantité
 
CAD
+
 
NC
NC
SY3520-5DZ-M5-Q
201
M5
24VDC
FORME C + LED
0,2 - 0,7
 
D
NC
SY5520-4DZ-01F-Q
441
1/8
220VAC
FORME C + LED
0,2 - 0,7
 
NC
NC
SY5520-5DZ-01F-Q
441
1/8
24VDC
FORME C + LED
0,2 - 0,7
 
D
NC
SY7520-4DZ-02F-Q
829
1/4
220VAC
FORME C + LED
0,2 - 0,7
 
NC
NC
SY7520-5DZ-02F-Q
829
1/4
24VDC
FORME C + LED
0,2 - 0,7

Retour en haut