×
 

Electrodistributeur 5/3 centre ouvert à commande pneumatique - SY-5/3CO-P/P | SMC

SY-5/3CO-P/P ELECTRODISTRIBUTEUR 5/3 CENTRE OUVERT À COMMANDE PNEUMATIQUE

Photos

Nouveau

Dessins techniques

Informations

Electrodistributeur 5/3 centre ouvert série SY à commande pneumatique - modèle SY-5/3CO-P/P

Utilisation
- Dirige l'air comprimé vers l'actionneur lorsqu'il est activé
- Cette position médiane offre une position supplémentaire
- Permet de réaliser des commutations totalement pneumatique

Caractéristiques

- Distributeurs 5/3 Centre Ouvert à commande pneumatique Série SYA3000/5000/7000.
- Montage solo ou sur Embase
- Commande manuelle (Poussoir à impulsion).

Documents

Quantité
 
CAD
+
 
NC
NC
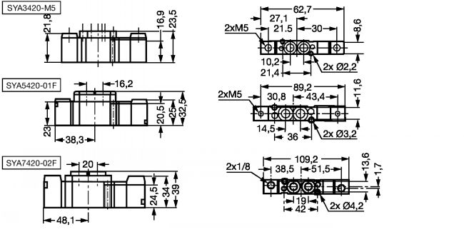
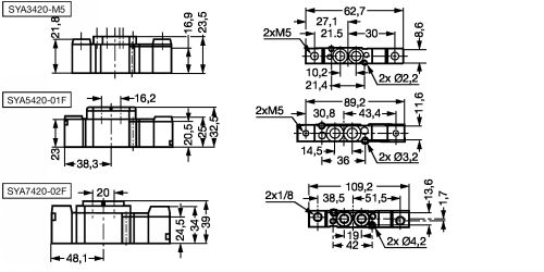
SYA3420-M5
129
M5
M5
M5
-100 kPa - 0,7
 
NC
NC
SYA5420-01F
644
G 1/8
G 1/8
M5
-100 kPa - 0,7
 
NC
NC
SYA7420-02F
893
G 1/4
G 1/8
G 1/8
-100 kPa - 0,7

Retour en haut