×
 

Electrodistributeur 5/3 centre ouvert à commande électrique - SY-5/3CO-E/E | SMC

SY-5/3CO-E/E ELECTRODISTRIBUTEUR 5/3 CENTRE OUVERT À COMMANDE ÉLECTRIQUE

Photos

Nouveau

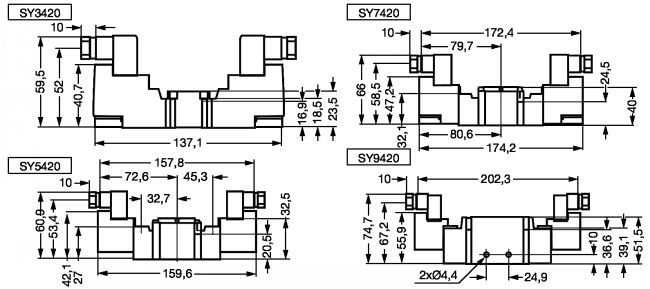
Dessins techniques

Informations

Electrodistributeur 5/3 centre ouvert série SY à commande électrique - modèle SY-5/3CO-E/E

Caractéristiques
- Fluide : Air.
- Plage de pression d'utilisation : -100 kPa à 0.7.
- Température d'utilisation [°C] : -10 à 50 (hors gel).
- Tension nominale de la bobine : 24 VCC - 24 VCA - 110 VCA - 220 VCA
- Protection : IP67 (conforme IEC60529).
- Montage : Unitaire ou sur embase
- Connexion électrique: D (Connecteur DIN avec connecteur)
- Commande manuelle: Poussoir à impulsion
- Pilote: Pilotage interne ou externe

Quantité
 
CAD
+
 
NC
NC
SY3420-5DZ-M5-Q
167
M5
24VDC
FORME C + LED
0,2 - 0,7
-
 
D
NC
SY5420-4DZ-01F-Q
472
1/8
220VAC
FORME C + LED
0,2 - 0,7
-
 
NC
NC
SY5420-5DZ-01F-Q
472
1/8
24VDC
FORME C + LED
0,2 - 0,7
-
 
NC
NC
SY5420-5DZ-C6F-Q
472
Ø 6
24VDC
FORME C + LED
0,2 - 0,7
-
 
NC
NC
SY7420-4DZ-02F-Q
718
1/4
220VAC
FORME C + LED
0,2 - 0,7
-
 
NC
NC
SY7420-5DZ-02F-Q
718
1/4
24VDC
FORME C + LED
0,2 - 0,7
-
 
NC
NC
SY7420-5DZ-02F-X20-Q
718
1/4
24VDC
FORME C + LED
-100 kPa - 0,7
0,25 - 0,7
 
NC
NC
SY7420-5DZ-C8F-Q
718
Ø 8
24VDC
FORME C + LED
0,2 - 0,7
-
 
NC
NC
SY7420-5D-02F-Q
718
1/4
24VDC
FORME C
0,2 - 0,7
-
 
NC
NC
SY9420-5DZ-03F-Q
2178
3/8
24VDC
FORME C + LED
0,2 - 0,7
-
 
NC
NC
SY9420-5DZ-03F-X20-Q
2178
3/8
24VDC
FORME C + LED
-100 kPa - 0,7
0,25 - 0,7

Retour en haut