×
 

Electrodistributeur 5/2 à commande pneumatique monostable - SY-5/2-P/R | SMC

SY-5/2-P/R ELECTRODISTRIBUTEUR 5/2 À COMMANDE PNEUMATIQUE MONOSTABLE

Photos

Nouveau

Dessins techniques

Informations

Electrodistributeur 5/2 série SY à commande pneumatique monostable - modèle SY-5/2-P/R

Utilisation
- Dirige l'air comprimé vers l'actionneur lorsqu'il est activé, si la commande n'est plus manipulée
- Le distributeur revient automatiquement en position initiale
- Permet de réaliser des commutations totalement pneumatique.

Caractéristiques

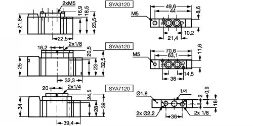
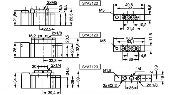
- Distributeurs 5/2 Monostable à commande pneumatique Série SYA3000/5000/7000.
- Montage solo ou sur Embase
- Commande manuelle (Poussoir à impulsion).

Documents

Quantité
 
CAD
+
 
D
NC
SYA3120-M5
181
M5
M5
M5
0,15 - 0,7
 
NC
NC
SYA5120-01F
648
G 1/8
G 1/8
M5
0,15 - 0,7
 
NC
NC
SYA7120-02F
855
G 1/4
G 1/8
G 1/8
0,15 - 0,7

Retour en haut