×
 

Electrodistributeur 5/2 à commande électrique monostable - SY-5/2-E/R | SMC

SY-5/2-E/R ELECTRODISTRIBUTEUR 5/2 À COMMANDE ÉLECTRIQUE MONOSTABLE

Photos

Nouveau

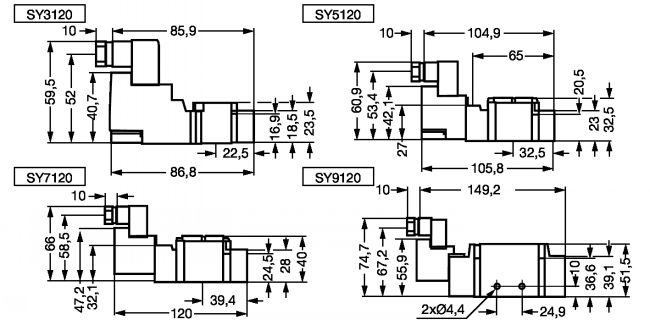
Dessins techniques

Informations

Electrodistributeur 5/2 série SY à commande électrique monostable - modèle SY-5/2-E/R

Caractéristiques
- Fluide : Air.
- Plage de pression d'utilisation : -100 kPa à 0.7.
- Température d'utilisation [°C] : -10 à 50 (hors gel).
- Tension nominale de la bobine : 24 VCC - 24 VCA - 110 VCA - 220 VCA
- Protection : IP67 (conforme IEC60529).
- Montage : Unitaire ou sur embase
- Connexion électrique: D (Connecteur DIN avec connecteur)
- Commande manuelle: Poussoir à impulsion
- Pilote: Pilotage interne ou externe

Quantité
 
CAD
+
 
NC
NC
SY3120-5D-M5-Q
193
M5
24VDC
FORME C
0,15 - 0,7
Interne
 
NC
NC
SY5120-3DZ-01F-Q
533
1/8
110VAC
FORME C + LED
0,15 - 0,7
Interne
 
NC
NC
SY5120-4DZ-01F-Q
533
1/8
220VAC
FORME C + LED
0,15 - 0,7
Interne
 
NC
NC
SY5120-5D-01F-Q
533
1/8
24VDC
FORME C
0,15 - 0,7
Interne
 
NC
NC
SY5120-5DZ-01F-Q
533
1/8
24VDC
FORME C + LED
0,15 - 0,7
Interne
 
NC
NC
SY5120-5DZ-01F-X20-Q
533
1/8
24VDC
FORME C + LED
-100 kPa - 0,7
Externe
 
NC
NC
SY5120-BDZ-01F-Q
533
1/8
24VAC
FORME C + LED
0,15 - 0,7
Interne
 
NC
NC
SY7120-3DZ-02F-Q
852
1/4
110VAC
FORME C + LED
0,15 - 0,7
Interne
 
D
NC
SY7120-4DZ-02F-Q
852
1/4
220VAC
FORME C + LED
0,15 - 0,7
Interne
 
D
NC
SY7120-5D-02F-Q
852
1/4
24VDC
FORME C
0,15 - 0,7
Interne
 
D
NC
SY7120-5DZ-02F-Q
852
1/4
24VDC
FORME C + LED
0,15 - 0,7
Interne
 
NC
NC
SY7120-5DZ-02F-X20-Q
852
1/4
24VDC
FORME C + LED
-100 kPa - 0,7
Externe
 
NC
NC
SY7120-BDZ-02F-Q
852
1/4
24VAC
FORME C + LED
0,15 - 0,7
Interne
 
NC
NC
SY9120-3DZ-03F-Q
2048
3/8
110VAC
FORME C + LED
0,15 - 0,7
Interne
 
NC
NC
SY9120-4DZ-03F-Q
2048
3/8
220VAC
FORME C + LED
0,15 - 0,7
Interne
 
NC
NC
SY9120-5D-03F-Q
2048
3/8
24VDC
FORME C
0,15 - 0,7
Interne
 
NC
NC
SY9120-5DZ-03F-Q
2048
3/8
24VDC
FORME C +LED
0,15 - 0,7
Interne

Retour en haut