×
 

Douilles à billes DBKB ISO exécution fermée cage à billes acier -B81-DBKB-STS

B81-DBKB-STS DOUILLES À BILLES DBKB ISO EXÉCUTION FERMÉE CAGE À BILLES ACIER

Photos

Nouveau

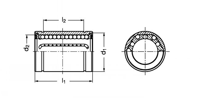
Dessins techniques

Informations

Douilles à billes DBKB ISO exécution fermée cage à billes acier - modèle B81-DBKB-STS

Matières
- Bague et billes : acier.
- Cage à billes en acier.

Caractéristiques
- Douille équipée de joints.
- Les douilles sont graissées en usine.

Montage
- Tolérance d'arbre recommandée h6.
- Tolérance du logement H7.

Documents

Quantité
 
CAD
+
 
NC
NC
B81-DBKB-STS-08-PP
8
16
25
14,3 -0,2
350
410
20
F2-04-16
 
NC
NC
B81-DBKB-STS-10-PP
10
19
29
19,4 -0,2(1)
370
540
30
F2-04-19
 
NC
NC
B81-DBKB-STS-12-PP
12
22
32
20,3 -0,2
555
800
40
F2-04-22
 
NC
NC
B81-DBKB-STS-16-PP
16
26
36
22,3 -0,2
1045
910
60
F2-04-26
 
NC
NC
B81-DBKB-STS-20-PP
20
32
45
28,3 -0,2
1170
1400
90
F2-04-32
 
NC
NC
B81-DBKB-STS-25-PP
25
40
58
40,4 -0,3
1330
1600
210
F2-04-40
 
NC
NC
B81-DBKB-STS-30-PP
30
47
68
48,4 -0,3
2120
2800
320
F2-04-47
 
NC
NC
B81-DBKB-STS-40-PP
40
62
80
56,3 -0,3
2920
4100
700
F2-04-62

1. ISO série 5.

Retour en haut