×
 

Coussinets lisses autolubrifiants en polymère résistance hautes températures - C4-113

C4-114 COUSSINETS LISSES AUTOLUBRIFIANTS EN POLYMÈRE RÉSISTANCE TRÈS HAUTES TEMPÉRATURES

Photos

Nouveau

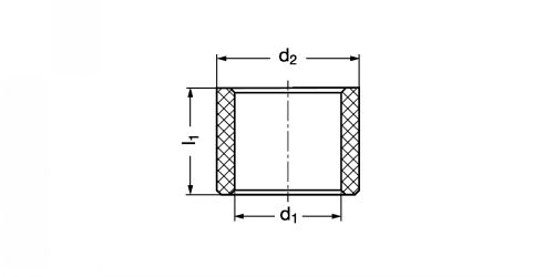
Dessins techniques

Informations

Coussinets lisses autolubrifiants en polymère résistance très hautes températures - modèle C4-114

Matière
- Polysulfure de phénylène thermoplastique, renforcé par des additifs pour le glissement, (PPS + PTFE + aramide), brun.
Caractéristiques
- Haute précision dimensionnelle.
- Faible frottement et particulièrement adapté à la marche à sec et humide.
- Bonne résistance aux produits chimiques et à l'hydrolyse.
- Plage de température -40°C à +240°C permettant un fonctionnement aussi bien à basses qu'à très hautes températures
Caractéristiques techniques
- Pression superficielle stat. max. 83 N/mm².
- Vitesse de glissement max. 1,0 m/s.
- Rugosité de l'arbre de glissement Ra 0,2 jusqu'à 0,8 µm (rectifié).
- Dureté de l'arbre de glissement > 200 HV.
Montage
- Tolérance d'alésage du logement H7.
- Tolérance d'arbre recommandée h9.

Documents

Quantité
 
CAD
+
 
NC
NC
C4-114-8-10-6
8
10
6
+0,013
+0,071
0,2
 
NC
NC
C4-114-8-10-8
8
10
8
+0,013
+0,071
0,3
 
NC
NC
C4-114-8-10-10
8
10
10
+0,013
+0,071
0,4
 
NC
NC
C4-114-8-10-12
8
10
12
+0,013
+0,071
0,5
 
NC
NC
C4-114-8-10-15
8
10
15
+0,013
+0,071
0,6
 
NC
NC
C4-114-10-12-4
10
12
4
+0,013
+0,071
0,2
 
NC
NC
C4-114-10-12-6
10
12
6
+0,013
+0,071
0,3
 
NC
NC
C4-114-10-12-8
10
12
8
+0,013
+0,071
0,4
 
NC
NC
C4-114-10-12-10
10
12
10
+0,013
+0,071
0,5
 
NC
NC
C4-114-10-12-15
10
12
15
+0,013
+0,071
0,7
 
NC
NC
C4-114-10-12-20
10
12
20
+0,013
+0,071
1,0
 
NC
NC
C4-114-12-14-10
12
14
10
+0,016
+0,086
0,6
 
NC
NC
C4-114-12-14-12
12
14
12
+0,016
+0,086
0,7
 
NC
NC
C4-114-12-14-15
12
14
15
+0,016
+0,086
0,9
 
NC
NC
C4-114-12-14-20
12
14
20
+0,016
+0,086
1,2
 
NC
NC
C4-114-14-16-15
14
16
15
+0,016
+0,086
1,0
 
NC
NC
C4-114-14-16-20
14
16
20
+0,016
+0,086
1,4
 
NC
NC
C4-114-14-16-25
14
16
25
+0,016
+0,086
1,7
 
NC
NC
C4-114-15-17-15
15
17
15
+0,016
+0,086
1,1
 
NC
NC
C4-114-15-17-20
15
17
20
+0,016
+0,086
1,4
 
NC
NC
C4-114-15-17-25
15
17
25
+0,016
+0,086
1,7
 
NC
NC
C4-114-20-23-15
20
23
15
+0,020
+0,104
2,2
 
NC
NC
C4-114-20-23-20
20
23
20
+0,020
+0,104
2,9
 
NC
NC
C4-114-20-23-30
20
23
30
+0,020
+0,104
4,4
 
NC
NC
C4-114-25-28-15
25
28
15
+0,020
+0,104
2,7
 
NC
NC
C4-114-25-28-20
25
28
20
+0,020
+0,104
3,6

1. Après l'insertion dans l'alésage.

Retour en haut