×
 

Elément oscillant AB-ALU - F72-AB-ALU

F72-AB-ALU ELÉMENT OSCILLANT AB-ALU

Photos

Nouveau

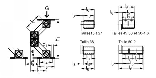
Dessins techniques

Informations

Elément oscillant AB-ALU - modèle F72-AB-ALU

Matières
- Armature extérieure : Profilé alliage léger jusqu'à la taille 38. Fonte nodulaire pour les tailles supérieures.
- Les corps des unités de suspension à double caoutchouc sont fabriqués en profilé d'aluminium pour les tailles AB 15 à AB 45, et en fonte pour les tailles AB 50 et AB 50-2.
- Tous les éléments oscillants AB sont également disponibles en acier inoxydable F72-ABI (AISI 304) et interchangeables avec les éléments oscillants AB bleus.
- Inserts : caoutchouc naturel.
- Version fonte F72-AB
disponible dans certaines tailles.

Caractéristiques
- Les valeurs de rigidité dynamique indiquées correspondent à des valeurs sous une rotation moteur à 960 trs/min et une amplitude d'oscillation sous charge de 8 mm.

Utilisation
- Température : -40°C à +80°C.
- Accélération > à 9,3 g déconseillée.

Applications
- Crible circulaire à une masse.
- Crible linéaire à une masse.
- Crible linéaire avec contre masse.

Lecture
Vidéo élements oscillants AB

Quantité
 
CAD
+
CAD
D
NC
F72-AB15-ALU
70
88
80
50
65
40
52
-
10
65
168
114
7
3
50
160
4,0
2,8
10
6
14
4,1
12
6,2
8
9,3
0,5
CAD
D
NC
F72-AB18-ALU
88
109
100
60
80
50
67
-
14
80
208
146
9
3,5
120
350
3,7
2,6
20
14
17
4,9
15
7,7
8
9,3
1,2
CAD
D
NC
F72-AB27-ALU
94
116
100
80
105
60
80
-
17
80
235
170
11
4,5
250
800
3,7
2,7
40
25
17
4,9
14
7,2
8
9,3
2,2
CAD
D
NC
F72-AB38-ALU
120
147
125
100
125
80
104
40
21
100
305
225
13
6
600
1600
3,0
2,4
60
30
20
5,8
17
8,8
8
9,3
5,1
 
NC
NC
F72-AB45-ALU
141
172
140
115
145
100
132
58
28
115
353
257
13 x 27
9
1200
3000
2,8
2,3
100
50
21
6,1
18
9,3
8
9,3
9,5
 
NC
NC
F72-AB50-ALU
150
184
150
130
170
120
160
60
35
140
380
277
17 x 27
12
2500
6000
2,4
2,1
190
85
22
6,4
18
9,3
8
9,3
14,5
 
NC
NC
F72-AB50-1,6-ALU
150
184
150
130
170
160
205
70
40
140
380
277
17 x 27
12
3400
8000
2,4
2,1
320
140
22
6,4
18
9,3
8
9,3
19,3
 
NC
NC
F72-AB50-2-ALU
150
184
150
130
170
200
245
70
40
140
380
277
17 x 27
12
4200
10000
2,4
2,1
320
140
22
6,4
18
9,3
8
9,3
22,5

1. Valeurs pour charge nominale à 960 tr/min et sw 8 mm.
2. Accélération > à 9,3 g : déconseillé.
3. Hauteur sous charge en compression maxi et fluage stabilisé (après environ 1 an).
sw : amplitude d'oscillation sous charge.
K : facteur oscillatoire du crible.

Retour en haut